Characterization of Digital Logic Families 
Procedure
Please follow these steps to do the experiment.
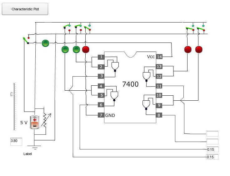
Part 1: .TTL NAND gate circuit
At first change the input voltage. Then observe the corresponding voltage at each node and also obseve the output voltage

At the time of changing the input voltage, when input voltage reaches 5 voltage characteristic plot button will be appeared.

Next, Click on the characteristic plot.Characteristic plot will be appeared.
Next, Click on the exit button.
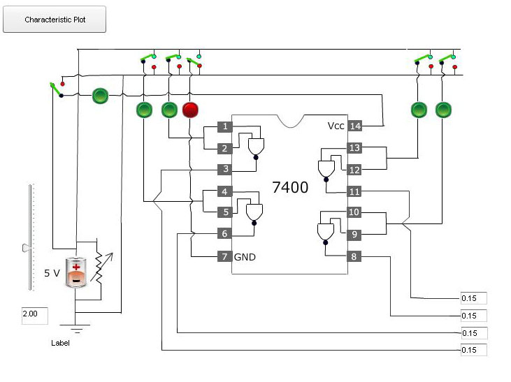
Part 2: TTL NAND gate using IC 7400
- At first connect VCC and GND properly. Apply high voltage to VCC and apply low voltage to GND.
- Next, apply high voltage to one of the NAND gate inputs among four.
- Next, Change the input voltage level. Then observe the corresponding output voltage of that particular NAND gate.
- If we apply high voltage to each NAND gate input we get coresponding output voltage of each NAND gate.
- Click on characteristic plot. Then corresponding plot will be appeared.
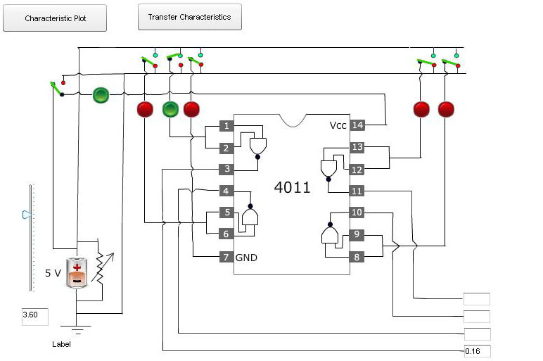
Part 3: CMOS NAND gate circuit
- When we change the input voltage the corresponding output voltage will be appeared.
- At the time of changing the input voltage, when it reaches 5 voltage characteristic plot and transfer-characteristic buttons will be appeared.
- Next, Click on the characteristic plot.Characteristic plot will be appeared.
- Next, Click on the exit button.
- Next, Click on the Transfer characteristic button. High to Low and Low to High options will be appeared.
- Next, click on the High to Low option.The plot will be appeared.
- Next, click on the Low to High option.The plot will be appeared.
Fig: High to Low
Low to High
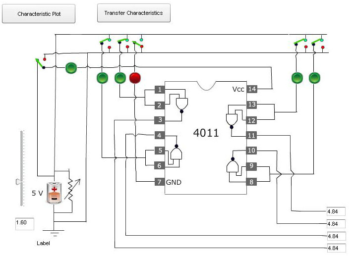
Part 4: CMOS NAND gate using IC 4011
- At first connect VCC and GND properly. Apply high voltage to VCC and apply low voltage to GND.
- Next, apply high voltage to one of the NAND gate inputs among four.
- Change the input voltage level.Then observe the corresponding output voltage of that particular NAND gate.
If we apply high voltage to each NAND gate input we get coresponding output voltage of each NAND gate.

Click on characteristic plot. Then corresponding plot will be appeared.
- After clicking Transfer characteristic button two options, such as High to Low and Low to High will be appeared.
- Next click on High to Low and Low to High respectively.Corresponding plot will be appeared. Then click on Exit button to go back to the experient.
Fig: High to Low
Fig: Low to High