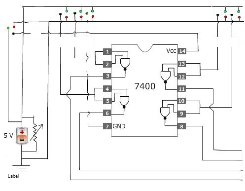
Connect VCC and Ground Proper